LINEUP
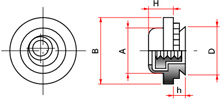
プリント基板のボードに圧入するためのスペーサーです。
| 単位mm | |||||
|---|---|---|---|---|---|
| ネジの呼び | M3 | M4 | |||
| ピッチ | 0.5 | 0.7 | |||
| 形式 | 鉄 | IF10-M3 | IF15-M3 | IF10-M4 | IF15-M4 |
| ステンレス | IFS10-M3 | IFS15-M3 | IFS10-M4 | IFS15-M4 | |
| D(最大) | 4.45 | 5.45 | |||
| B ±0.1 | 6.0 | 8.0 | |||
| h 0 -0.1 | 0.95 | 1.45 | 0.95 | 1.45 | |
| L ±0.2 (下記以外のL寸法も 製作いたします) |
3 | 3 | |||
| 4 | 4 | ||||
| 5 | 5 | ||||
| 6 | 6 | ||||
| 7 | 7 | ||||
| 8 | 8 | ||||
| 9 | - | ||||
| 10 | 10 | ||||
| 11 | - | ||||
| 12 | 12 | ||||
| - | 14 | ||||
| 取り付け材 | 最小板厚 | 1.0 | 1.5 | 1.0 | 1.5 |
| 取り付け穴径 +0.08 0 |
4.5 | 5.5 | |||
| *取り付け穴位置 (最小) |
4.5 | 5.5 | |||
「取り付け穴位置」は、取り付け穴中心と取り付け板の端までの最小距離を表します。
| 型式 | IF | IFS |
|---|---|---|
| 材質区分 | 鉄 | ステンレス |
| 材質 | 炭素鋼 | SUS303 |
| 処理 | 浸炭焼入れ | 脱脂 |
| 表面処理 | ニッケルメッキ | パシベート処理 |
| 1kN≒102kgf、1N・m≒10.2kgf・cm | |||||
|---|---|---|---|---|---|
|
ねじの呼び
性能基準と取り付け条件
|
IF10-M3 | IF15-M3 | IF10-M4 | IF15-M4 | |
| 取り付け材料の板厚(mm) | 1.0 | 1.5 | 1.0 | 1.5 | |
| SPCC | 取り付け圧入力(kN) | 9.0 | 9.0 | 13.5 | 14.0 |
| *軸方向保持力(kN) | 0.7 | 0.8 | 0.8 | 1.0 | |
| 回転方向保持力(Nm) | 3.0 | 3.5 | 3.5 | 4.0 | |
| 倒れモーメント(Nm) | 1.2 | 2.0 | 1.8 | 3.0 | |
| A5052アルミ板 | 取り付け圧入力(kN) | 5.0 | 5.0 | 7.0 | 8.0 |
| *軸方向保持力(kN) | 0.4 | 0.7 | 0.5 | 0.8 | |
| 回転方向保持力(Nm) | 1.5 | 2.0 | 2.5 | 3.0 | |
| 倒れモーメント(Nm) | 0.8 | 1.2 | 1.0 | 1.5 | |
* [軸方向保持力]とは、圧入と逆方向の抗抜去力をいいます。
簡単に圧入でき、しかも高トルク。
軸径より大きいローレットにより高トルクが得られます。
| 単位mm | |||||||
|---|---|---|---|---|---|---|---|
| ネジの呼び | M2 | M2.5 | M3 | M4 | M5 | ||
| ピッチ | 0.4 | 0.45 | 0.5 | 0.7 | 0.8 | ||
| 形式 | 鉄 | SST-M2 | SST-M2.5 | SST4.2-M3 | SST-M3 | SST-M4 | SST-M5 |
| ステンレス | SSTS-M2 | SSTS-M2.5 | SSTS4.2-M3 | SSTS-M3 | SSTS-M4 | SSTS-M5 | |
| アルミ | SSTA-M2 | SSTA-M2.5 | SSTA4.2-M3 | SSTA-M3 | SSTA-M4 | SSTA-M5 | |
| D -0.08 | 4.18 | 6.18 | 7.18 | ||||
| B ±0.2 | 5.2 | 7.2 | 8.2 | ||||
| L ±0.2 | 全ねじタイプ | 3 | 3 | 3 | 3 | ||
| 4 | 4 | 4 | 4 | ||||
| - | 5 | 5 | - | ||||
| 6 | 6 | 6 | 6 | ||||
| - | 7 | 7 | - | ||||
| 8 | 8 | 8 | 8 | ||||
| - | 9 | 9 | - | ||||
| 10 | 10 | 10 | 10 | ||||
| - | 11 | 11 | - | ||||
| 12 | 12 | 12 | 12 | ||||
| 有効ねじ長さ 10mm |
- | 13 | 13 | - | |||
| - | 14 | 14 | 14 | ||||
| - | 15 | 15 | 15 | ||||
| - | - | - | 16 | ||||
| 取り付け材 | 最小板厚 | 1.0 | |||||
| 取り付け穴径 +0.08 0 |
4.2 | 6.2 | 7.2 | ||||
| *取り付け穴位置 (最小) |
6.0 | 7.0 | 8.0 | ||||
* 「取り付け穴位置」は、取り付け穴中心と取り付け板の端までの最小距離を表します。
| 単位mm | |||||||
|---|---|---|---|---|---|---|---|
| ネジの呼び | M2 | M2.5 | M3 | M4 | M5 | ||
| ピッチ | 0.4 | 0.45 | 0.5 | 0.7 | 0.8 | ||
| 形式 | 鉄 | SSB-M2 | SSB-M2.5 | SSB4.2-M3 | SSB-M3 | SSB-M4 | SSB-M5 |
| ステンレス | SSBS-M2 | SSBS-M2.5 | SSBS4.2-M3 | SSBS-M3 | SSBS-M4 | SSBS-M5 | |
| アルミ | SSBA-M2 | SSBA-M2.5 | SSBA4.2-M3 | SSBA-M3 | SSBA-M4 | SSBA-M5 | |
| D -0.08 | 4.18 | 6.18 | 7.18 | ||||
| B ±0.2 | 5.2 | 7.2 | 8.2 | ||||
| L ±0.2 下欄の()内寸法は 最小S寸法を表します |
6 (3.0) | ||||||
| 8 (4.0) | |||||||
| 10 (4.0) | |||||||
| 12 (5.0) | |||||||
| 14 (6.5) | |||||||
| 16 (6.5) | |||||||
| 18 (9.5) | |||||||
| 20 (9.5) | |||||||
| 取り付け材 | 最小板厚 | 1.0 | |||||
| 取り付け穴径 +0.08 0 |
4.2 | 6.2 | 7.2 | ||||
| *取り付け穴位置 (最小) |
6.0 | 7.0 | 8.0 | ||||
* 「取り付け穴位置」は、取り付け穴中心と取り付け板の端までの最小距離を表します。
| 型式 | SST | SSB | SSTS | SSBS | SSTA | SSBA |
|---|---|---|---|---|---|---|
| 材質区分 | 鉄 | ステンレス | アルミ | |||
| 材質 | 炭素鋼 | SUS303 | A2011 | |||
| 処理 | 浸炭焼入れ | 脱脂 | 脱脂 | |||
| 表面処理 | 三価ユニクロ ニッケルメッキ |
良い | - | |||
| 1kN≒102kgf、1N・m≒10.2kgf・cm | ||||||
|---|---|---|---|---|---|---|
|
ねじの呼び
性能基準と取り付け条件
|
M2、M2.5 | 4.2、M3 | M3 | M4 | M5 | |
| 取り付け材料の板厚(mm) | 1.0 | |||||
| SPCC | 取り付け圧入力(kN) | 10 | 15 | |||
| *軸方向保持力(kN) | 1.0 | 2.0 | 2.2 | |||
| 回転方向保持力(Nm) | 2.0 | 3.0 | 5.0 | |||
* [軸方向保持力]とは、圧入と逆方向の抗抜去力をいいます。
薄板にプレス圧入するだけで、簡単に取り付けできるスタッドです。
板の表面が平らで、垂直にねじが立てられます。
| 単位mm | ||||||
|---|---|---|---|---|---|---|
| ネジの呼び | M3 | M4 | M5 | M6 | M8 | |
| ピッチ | 0.5 | 0.7 | 0.8 | 1.0 | 1.25 | |
| 形式 | 鉄 | SD-M3 | SD-M4 | SD-M5 | SD-M6 | SD-M8 |
| ステンレス | SDS-M3 | SDS-M4 | SDS-M5 | SDS-M6 | SDS-M8 | |
| D ±0.4 | 4.6 | 5.9 | 6.5 | 8.2 | 9.6 | |
| H(最大) | 2.1 | 2.4 | 2.7 | 3.0 | 3.7 | |
| 全長L ±0.4 (下記以外のL寸法も 製作いたします) |
6 | - | - | - | - | |
| 8 | 8 | - | - | - | ||
| 10 | 10 | 10 | - | - | ||
| 12 | 12 | 12 | 12 | - | ||
| 15 | 15 | 15 | 15 | 15 | ||
| 18 | 18 | 18 | 18 | 18 | ||
| 20 | 20 | 20 | 20 | 20 | ||
| - | 22 | 22 | 22 | 22 | ||
| - | 25 | 25 | 25 | 25 | ||
| - | 28 | 28 | 28 | 28 | ||
| - | 30 | 30 | 30 | 30 | ||
| - | 35 | 35 | 35 | 35 | ||
| - | - | 38 | 38 | 38 | ||
| 取り付け材 | 最小板厚 | 1.0 | 1.4 | 2.0 | ||
| 取り付け穴径 +0.08 0 |
3.0 | 4.0 | 5.0 | 6.0 | 8.0 | |
| *取り付け穴位置 (最小) |
5.6 | 7.2 | 7.9 | 9.6 | ||
「取り付け穴位置」は、取り付け穴中心と取り付け板の端までの最小距離を表します。
| 型式 | SD | SDS |
|---|---|---|
| 材質区分 | 鉄 | ステンレス |
| 材質 | 炭素鋼 | SUS304又はXM-7 |
| 処理 | 浸炭焼入れ | 脱脂 |
| 表面処理 | 三価ユニクロ | パシベート処理 |
| 1kN≒102kgf、1N・m≒10.2kgf・cm | ||||||
|---|---|---|---|---|---|---|
|
ねじの呼び
性能基準と取り付け条件
|
M3 | M4 | M5 | M6 | M8 | |
| 取り付け材料の板厚(mm) | 1.0 | 1.4 | 2.0 | |||
| SPCC | 取り付け圧入力(kN) | 15 | 20 | 25 | 30 | 35 |
| *軸方向保持力(kN) | 1.0 | 1.2 | 1.4 | 2.0 | 3.0 | |
| 回転方向保持力(Nm) | 2.0 | 4.0 | 6.0 | 12.0 | 18.0 | |
* [軸方向保持力]とは、圧入と逆方向の抗抜去力をいいます。
かしめが美しく強度も安定するニュータイプのクリンチングスタッドです。
| 単位mm | ||||
|---|---|---|---|---|
| ネジの呼び | M3 | M4 | M5 | |
| ピッチ | 0.5 | 0.7 | 0.8 | |
| 形式 | 鉄 | AGS-M3 | AGS-M4 | AGS-M5 |
| ステンレス | AGSS-M3 | AGSS-M4 | AGSS-M5 | |
| D ±0.2 | 4.0 | 5.0 | 6.0 | |
| H(最大) | 0.5 | 0.5 | 0.5 | |
| 全長L ±0.4 (下記以外のL寸法も 製作いたします) |
6 | - | - | |
| 8 | 8 | - | ||
| 10 | 10 | 10 | ||
| 12 | 12 | 12 | ||
| 15 | 15 | 15 | ||
| 18 | 18 | 18 | ||
| 20 | 20 | 20 | ||
| - | 22 | 22 | ||
| - | 25 | 25 | ||
| 取り付け材 | 最小板厚 | 1.0 | 1.0 | 1.0 |
| 取り付け穴径 +0.08 0 |
3.0 | 4.0 | 5.0 | |
| *取り付け穴位置 (最小) |
5.6 | 7.2 | 7.2 | |
*「取り付け穴位置」は、取り付け穴中心と取り付け板の端までの最小距離を表します。
| 型式 | AGS | AGSS |
|---|---|---|
| 材質区分 | 鉄 | ステンレス |
| 材質 | 炭素鋼 | SUS304又はXM-7 |
| 処理 | 浸炭焼入れ | 脱脂 |
| 表面処理 | 三価ユニクロ | パシベート処理 |
| 1kN≒102kgf、1N・m≒10.2kgf・cm | ||||
|---|---|---|---|---|
|
ねじの呼び
性能基準と取り付け条件
|
M3 | M4 | M5 | |
| 取り付け材料の板厚(mm) | 1.0 | 1.0 | 1.0 | |
| SPCC | 取り付け圧入力(kN) | 9.0 | 12.0 | 15.0 |
| *軸方向保持力(kN) | 0.95 | 1.35 | 1.70 | |
| 回転方向保持力(Nm) | 2.8 | 3.5 | 6.5 | |
* [軸方向保持力]とは、圧入と逆方向の抗抜去力をいいます。
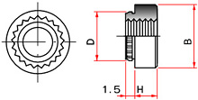
プリント基板のボードに圧入するためのスペーサーです。
| 単位mm | ||||
|---|---|---|---|---|
| ネジの呼び | M3 | M4 | M5 | |
| ピッチ | 0.5 | 0.7 | 0.8 | |
| 形式 | 鉄 | BIF-M3 | BIF-M4 | BIF-M5 |
| ステンレス | BIFS-M3 | BIFS-M4 | BIFS-M5 | |
| 真鍮 | BIFB-M3 | BIFB-M4 | BIFB-M5 | |
| D ±0.08 | 4.55 | 6.68 | 7.24 | |
| B ±0.13 | 5.56 | 8.74 | 9.53 | |
| 全長L ±0.13 |
全ねじタイプ | 3 | ||
| 4 | ||||
| 6 | ||||
| 8 | ||||
| 10 | ||||
| 有効ねじ長さ10mm | 12 | |||
| 取り付け材 | 最小板厚 | 1.5 | ||
| 取り付け穴径 +0.08 0 |
4.2 | 6.4 | 6.9 | |
| *取り付け穴位置 (最小) |
4.4 | 6.4 | 7.1 | |
*「取り付け穴位置」は、取り付け穴中心と取り付け板の端までの最小距離を表します。
| 型式 | BIF | BIFS | BIFB |
|---|---|---|---|
| 材質区分 | 鉄 | ステンレス | 真鍮 |
| 材質 | 炭素鋼 | SUS303 | C3604 |
| 処理 | - | 脱脂 | 脱脂 |
| 表面処理 | 三価ユニクロ | パシベート処理 | - |
| 1kN≒102kgf、1N・m≒10.2kgf・cm | ||||
|---|---|---|---|---|
|
ねじの呼び
性能基準と取り付け条件
|
M3 | M4 | M5 | |
| 取り付け材料の板厚(mm) | 1.5 | |||
| SPCC | 取り付け圧入力(kN) | 2.0 | 3.0 | |
| *軸方向保持力(kN) | 0.4 | 0.6 | ||
| 回転方向保持力(Nm) | 1.4 | 3.0 | 4.0 | |
* [軸方向保持力]とは、圧入と逆方向の抗抜去力をいいます。
六角形のクリンチングナットです。
処理鋼板の薄板やアルミ板に最適です。下穴に対するガイドがあるため取り付けが簡単です。
| 単位mm | ||||||||||||||
|---|---|---|---|---|---|---|---|---|---|---|---|---|---|---|
| ネジの呼び | M2 | M2.5 | M2.6 | M3 | M4 | M5 | M6 | M8 | ||||||
| ピッチ | 0.4 | 0.45 | 0.5 | 0.7 | 0.8 | 1.0 | 1.25 | |||||||
| 形式 | 鉄 | HSN-M2-1 | HSN-M2.5-1 | HSN-M2.6-1 | HSN-M3-1 | HSN-M3-2 | HSN-M4-1 | HSN-M4-2 | HSN-M5-1 | HSN-M5-2 | HSN-M6-1 | HSN-M6-2 | HSN-M8-1 | HSN-M8-2 |
| ステンレス | HSNS-M2-1 | HSNS-M2.5-1 | HSNS-M2.6-1 | HSNS-M3-1 | HSNS-M3-2 | HSNS-M4-1 | HSNS-M4-2 | HSNS-M5-1 | HSNS-M5-2 | HSNS-M6-1 | HSNS-M6-2 | HSNS-M8-1 | HSNS-M8-2 | |
| D(最大) | 4.55 | 5.45 | 6.45 | 7.95 | 9.95 | |||||||||
| B -0.2 | 5.5 | 7.0 | 8.0 | 10.0 | 13.0 | |||||||||
| C(約) | 6.4 | 8.1 | 9.2 | 11.5 | 15.0 | |||||||||
| H ±0.1 | 2.0 | 2.2 | 3.0 | 4.0 | 4.5 | |||||||||
| h(最大) | 1.0 | 1.4 | 1.0 | 1.4 | 1.0 | 1.4 | 1.0 | 1.4 | 1.4 | 2.0 | ||||
| 取り付け材 | 最小板厚 | 1.0 | 1.4 | 1.0 | 1.4 | 1.0 | 1.4 | 1.0 | 1.4 | 1.4 | 2.0 | |||
| 取り付け穴径 +0.08 0 |
4.5 | 5.5 | 6.5 | 8.0 | 10.0 | |||||||||
| *取り付け穴位置 (最小) |
4.5 | 5.5 | 6.5 | 8.0 | 10.0 | |||||||||
*「取り付け穴位置」は、取り付け穴中心と取り付け板の端までの最小距離を表します。
| 型式 | HSN | HSNS |
|---|---|---|
| 材質区分 | 鉄 | ステンレス |
| 材質 | 炭素鋼 | SUS303 |
| 処理 | 浸炭焼入れ | 脱脂 |
| 表面処理 | 三価ユニクロ | パシベート処理 |
| 1kN≒102kgf、1N・m≒10.2kgf・cm | |||||||||||||
|---|---|---|---|---|---|---|---|---|---|---|---|---|---|
|
ねじの呼び
性能基準と取り付け条件
|
M2 | M2.5 | M2.6 | M3 | M4 | M5 | M6 | M8 | |||||
| シャンクの区分 | -1 | -2 | -1 | -2 | -1 | -2 | -1 | -2 | -2 | -3 | |||
| 取り付け材料の板厚(mm) | 1.0 | 1.4 | 1.0 | 1.4 | 1.0 | 1.4 | 1.0 | 1.4 | 1.4 | 2.0 | |||
| SPCC | 取り付け圧入力(kN) | 12 | 13 | 13 | 14 | 14 | 15 | 17 | 20 | 25 | 30 | ||
| *軸方向保持力(kN) | 0.6 | 0.9 | 0.7 | 1.0 | 0.8 | 1.1 | 1.0 | 1.4 | 1.5 | 1.9 | |||
| 回転方向保持力(Nm) | 2.0 | 2.5 | 3.0 | 4.0 | 4.0 | 5.0 | 8.0 | 12.0 | 16.0 | 20.0 | |||
| A5052アルミ板 | 取り付け圧入力(kN) | 6.0 | 7.0 | 8.0 | 10 | 9.0 | 11 | 12 | 14 | 16 | 18 | ||
| *軸方向保持力(kN) | 0.4 | 0.7 | 0.5 | 0.8 | 0.55 | 0.85 | 0.7 | 1.0 | 1.2 | 1.5 | |||
| 回転方向保持力(Nm) | 1.2 | 1.5 | 2.0 | 3.0 | 3.0 | 4.0 | 6.0 | 8.0 | 10.0 | 12.0 | |||
* [軸方向保持力]とは、圧入と逆方向の抗抜去力をいいます。
薄板のねじの立てられない箇所や、溶接できないアルミ板、処理鋼板などに取り付けできるナットです。
ローレットにより押された母材がパイロットつけ根に流動し、高い締結力が得られます。
| 単位mm | ||||||||||||||||||||||||
|---|---|---|---|---|---|---|---|---|---|---|---|---|---|---|---|---|---|---|---|---|---|---|---|---|
| ネジの呼び | M2 | M2.5 | M3 | M4 | M5 | M6 | M8 | M10 | M12 | |||||||||||||||
| ピッチ | 0.4 | 0.45 | 0.5 | 0.7 | 0.8 | 1.0 | 1.25 | 1.5 | 1.75 | |||||||||||||||
| 形式 | 鉄 | SN-M2-0 | SN-M2-1 | SN-M2-2 | SN-M2.5-0 | SN-M2.5-1 | SN-M2.5-2 | SN-M3-0 | SN-M3-1 | SN-M3-2 | SN-M4-0 | SN-M4-1 | SN-M4-2 | SN-M5-0 | SN-M5-1 | SN-M5-2 | SN-M6-1 | SN-M6-2 | SN-M6-3 | SN-M8-2 | SN-M8-3 | SN-M10-3 | SN-M12-3 | SN-M12-4 |
| ステンレス | SNS-M2-0 | SNS-M2-1 | SNS-M2-2 | SNS-M2.5-0 | SNS-M2.5-1 | SNS-M2.5-2 | SNS-M3-0 | SNS-M3-1 | SNS-M3-2 | SNS-M4-0 | SNS-M4-1 | SNS-M4-2 | SNS-M5-0 | SNS-M5-1 | SNS-M5-2 | SNS-M6-1 | SNS-M6-2 | SNS-M6-3 | SNS-M8-2 | SNS-M8-3 | SNS-M10-3 | SNS-M12-3 | SNS-M12-4 | |
| D(最大) | 4.22 | 5.38 | 6.38 | 8.72 | 10.44 | 12.65 | 14.65 | |||||||||||||||||
| B ±0.2 | 6.3 | 7.9 | 8.7 | 11.05 | 12.65 | 15.0 | 17.0 | 20.0 | ||||||||||||||||
| H ±0.1 | 1.5 | 2.0 | 4.1 | 5.5 | 7.0 | 8.0 | ||||||||||||||||||
| h(最大) | 0.76 | 0.97 | 1.37 | 0.76 | 0.97 | 1.37 | 0.76 | 0.97 | 1.37 | 0.76 | 0.97 | 1.37 | 0.76 | 0.97 | 1.37 | 0.97 | 1.37 | 2.21 | 1.37 | 2.21 | 1.95 | 1.95 | 2.80 | |
| 取り付け材 | 最小板厚 | 0.8 | 1.0 | 1.4 | 0.8 | 1.0 | 1.4 | 0.8 | 1.0 | 1.4 | 0.8 | 1.0 | 1.4 | 0.8 | 1.0 | 1.4 | 1.0 | 1.4 | 2.3 | 1.4 | 2.3 | 2.0 | 2.0 | 3.0 |
| 取り付け穴径 +0.08 0 |
4.5 | 5.4 | 6.4 | 8.75 | 10.5 | 12.7 | 14.7 | |||||||||||||||||
| *取り付け穴位置 (最小) |
4.8 | 6.9 | 7.1 | 8.6 | 9.7 | 11.6 | 13.5 | 18.0 | ||||||||||||||||
*「取り付け穴位置」は、取り付け穴中心と取り付け板の端までの最小距離を表します。
| 型式 | SN | SNS |
|---|---|---|
| 材質区分 | 鉄 | ステンレス |
| 材質 | 炭素鋼 | SUS303 |
| 処理 | 浸炭焼入れ | 脱脂 |
| 表面処理 | 三価ユニクロ | パシベート処理 |
| 1kN≒102kgf、1N・m≒10.2kgf・cm | ||||||||||||||||||
|---|---|---|---|---|---|---|---|---|---|---|---|---|---|---|---|---|---|---|
|
ねじの呼び
性能基準と取り付け条件
|
M2 | M2.5 | M3 | M4 | M5 | M6 | M8 | M10 | M12 | |||||||||
| シャンクの区分 | -0 | -1 | -2 | -0 | -1 | -2 | -0 | -1 | -2 | -1 | -2 | -3 | -2 | -3 | -3 | -3 | -4 | |
| 取り付け材料の板厚(mm) | 0.8 | 1.0 | 1.4 | 0.8 | 1.0 | 1.4 | 0.8 | 1.0 | 1.4 | 1.0 | 1.4 | 2.3 | 1.4 | 2.3 | 2.0 | 2.0 | - | |
| SPCC | 取り付け圧入力(kN) | 7.0~16.0 | 10.0~18.0 | 12.0~25.0 | 16.0~30.0 | 20.0~36.0 | 35.0 | 38.0 | 40.0 | |||||||||
| *軸方向保持力(kN) | 0.5 | 0.6 | 1.0 | 0.5 | 0.7 | 1.1 | 0.6 | 0.85 | 1.15 | 1.0 | 1.6 | 2.5 | 2.5 | 3.0 | 3.0 | 3.5 | 4.0 | |
| 回転方向保持力(Nm) | 1.5 | 3.0 | 4.0 | 4.5 | 3.5 | 4.0 | 6.0 | 7.0 | 16.0 | 28.0 | 25.0 | 30.0 | 35.0 | 40.0 | 45.0 | |||
| A5052アルミ板 | 取り付け圧入力(kN) | 6.0~8.0 | 7.0~12.0 | 8.0~13.0 | 9.0~15.0 | 15.0~20.0 | 20.0 | 23.0 | 25.0 | |||||||||
| *軸方向保持力(kN) | 0.3 | 0.4 | 0.8 | 0.35 | 0.5 | 0.85 | 0.4 | 0.5 | 0.9 | 0.4 | 0.8 | 1.6 | 0.9 | 1.8 | 2.0 | 2.2 | 2.5 | |
| 回転方向保持力(Nm) | 1.0 | 1.2 | 1.5 | 2.5 | 2.8 | 4.0 | 3.0 | 3.5 | 5.0 | 6.0 | 11.0 | 14.0 | 12.0 | 20.0 | 30.0 | 32.0 | 34.0 | |
* [軸方向保持力]とは、圧入と逆方向の抗抜去力をいいます。
アルミの薄板に簡単に取り付けできるステンレス製のナットです。
板厚内に収まるため、板の表・裏とも仕上がりがきれいです。
| 単位mm | |||||||||
|---|---|---|---|---|---|---|---|---|---|
| ネジの呼び | M2 | M3 | M4 | M5 | |||||
| ピッチ | 0.4 | 0.5 | 0.7 | 0.8 | |||||
| 形式 | ステンレス | AFN-M2-1 | AFN-M2-2 | AFN-M3-1 | AFN-M3-2 | AFN-M4-1 | AFN-M4-2 | AFN-M5-1 | AFN-M5-2 |
| D(最大) | 4.35 | 7.35 | 7.85 | ||||||
| B 0 -0.2 | 4.8 | 7.9 | 8.7 | ||||||
| H(最大) | 1.47 | 1.97 | 1.47 | 1.97 | 1.47 | 1.97 | 1.47 | 1.97 | |
| 取り付け材 | 最小板厚 | 1.5 | 2.0 | 1.5 | 2.0 | 1.5 | 2.0 | 1.5 | 2.0 |
| 取り付け穴径 +0.08 0 |
4.4 | 4.4 | 7.4 | 7.9 | |||||
| *取り付け穴位置 (最小) |
6.0 | 6.0 | 7.2 | 8.0 | |||||
*「取り付け穴位置」は、取り付け穴中心と取り付け板の端までの最小距離を表します。
| 型式 | AFN |
|---|---|
| 材質区分 | ステンレス |
| 材質 | SUS303 |
| 処理 | 脱脂 |
| 表面処理 | パシベート処理 |
| 1kN≒102kgf、1N・m≒10.2kgf・cm | |||||
|---|---|---|---|---|---|
|
ねじの呼び
性能基準と取り付け条件
|
AFN-M2-1 | AFN-M3-1 | AFN-M4-1 | AFN-M5-1 | |
| 取り付け材料の板厚(mm) | 1.5 | 1.5 | 1.5 | 1.5 | |
| SPCC | 取り付け圧入力(kN) | 11.0 | 11.0 | 15.0 | 18.0 |
| *軸方向保持力(kN) | 0.9 | 0.9 | 1.1 | 1.2 | |
| 回転方向保持力(Nm) | 1.3 | 1.3 | 3.5 | 5.0 | |
| A5052アルミ板 | 取り付け圧入力(kN) | 8.0 | 8.0 | 10.0 | 11.0 |
| *軸方向保持力(kN) | 0.8 | 0.8 | 1.0 | 1.1 | |
| 回転方向保持力(Nm) | 1.2 | 1.2 | 3.0 | 4.0 | |
* [軸方向保持力]とは、圧入と逆方向の抗抜去力をいいます。
組立時の位置ずれを解消できるクリンチングナットです。
ねじ部がフロートし、多少の位置ずれをカバーできます。
| 単位mm | |||||||
|---|---|---|---|---|---|---|---|
| ネジの呼び | M3 | M4 | M5 | ||||
| ピッチ | 0.5 | 0.7 | 0.8 | ||||
| 形式 | 鉄 | AFL-M3-1 | AFL-M3-2 | AFL-M4-1 | AFL-M4-2 | AFL-M5-1 | AFL-M5-2 |
| ステンレス | AFLS-M3-1 | AFLS-M3-2 | AFLS-M4-1 | AFLS-M4-2 | AFLS-M5-1 | AFLS-M5-2 | |
| D(最大) | 7.35 | 9.35 | 10.25 | ||||
| B ±0.2 | 9.1 | 11.2 | 11.9 | ||||
| A(最大) | 7.4 | 9.3 | 10.3 | ||||
| H(最大) | 3.3 | 4.4 | |||||
| h(最大) | 0.97 | 1.37 | 0.97 | 1.37 | 0.97 | 1.37 | |
| 取り付け材 | 最小板厚 | 1.0 | 1.4 | 1.0 | 1.4 | 1.0 | 1.4 |
| 取り付け穴径 +0.08 0 |
7.4 | 9.4 | 10.3 | ||||
| *取り付け穴位置 (最小) |
7.6 | 8.6 | 9.0 | ||||
*「取り付け穴位置」は、取り付け穴中心と取り付け板の端までの最小距離を表します。
| 型式 | AFL | AFLS |
|---|---|---|
| 材質区分 | 鉄 | ステンレス |
| 材質 | 炭素鋼 | SUS303 |
| 処理 | 浸炭焼入れ | 脱脂 |
| 表面処理 | 三価ユニクロ | パシベート処理 |
| 1kN≒102kgf、1N・m≒10.2kgf・cm | |||||
|---|---|---|---|---|---|
|
ねじの呼び
性能基準と取り付け条件
|
AFL-M3-1 | AFL-M3-2 | AFL-M4-1 | AFL-M4-2 | |
| 取り付け材料の板厚(mm) | 1.0 | 1.6 | 1.0 | 1.6 | |
| SPCC | 取り付け圧入力(kN) | 15.0 | 18.0 | 15.0 | 18.0 |
| *軸方向保持力(kN) | 1.4 | 1.5 | 1.9 | 2.0 | |
| 回転方向保持力(Nm) | 1.5 | 4.0 | |||
| A5052アルミ板 | 取り付け圧入力(kN) | 8.0 | 9.0 | 8.0 | 10.0 |
| *軸方向保持力(kN) | 1.0 | 1.1 | 1.4 | 1.5 | |
| 回転方向保持力(Nm) | 1.5 | 4.0 | |||
* [軸方向保持力]とは、圧入と逆方向の抗抜去力をいいます。
省スペースで、しかも美しい仕上がりのステンレスナットです。
溶接できないアルミ板に最適です。
| 単位mm | |||||||||
|---|---|---|---|---|---|---|---|---|---|
| ネジの呼び | M2 | M2.5 | M3 | M4 | |||||
| ピッチ | 0.4 | 0.45 | 0.5 | 0.7 | |||||
| 形式 | ステンレス | AMN-M2-1 | AMN-M2-2 | AMN-M2.5-1 | AMN-M2.5-2 | AMN-M3-1 | AMN-M3-2 | AMN-M4-1 | AMN-M4-2 |
| D(最大) | 3.58 | 3.96 | 4.34 | 7.34 | |||||
| A(最大) | 2.5 | 3.2 | 3.85 | 5.03 | |||||
| B ±0.2 | 4.04 | 4.48 | 4.92 | 8.17 | |||||
| H ±0.2 | 1.65 | 1.85 | 2.1 | 2.75 | |||||
| h(最大) | 0.98 | 1.48 | 0.98 | 1.48 | 0.98 | 1.48 | 0.98 | 1.48 | |
| 取り付け材 | 最小板厚 | 1.0 | 1.5 | 1.0 | 1.5 | 1.0 | 1.5 | 1.0 | 1.5 |
| 取り付け穴径 +0.08 0 |
3.6 | 4.0 | 4.4 | 7.4 | |||||
| *取り付け穴位置 (最小) |
2.8 | 3.2 | 3.6 | 5.2 | |||||
*「取り付け穴位置」は、取り付け穴中心と取り付け板の端までの最小距離を表します。
| 型式 | AMN |
|---|---|
| 材質区分 | ステンレス |
| 材質 | SUS303 |
| 処理 | 脱脂 |
| 表面処理 | パシベート処理 |
| 1kN≒102kgf、1N・m≒10.2kgf・cm | |||||
|---|---|---|---|---|---|
|
ねじの呼び
性能基準と取り付け条件
|
M3 | M4 | |||
| AMN-M3-1 | AMN-M3-2 | AMN-M4-1 | AMN-M4-2 | ||
| 取り付け材料の板厚(mm) | 1.0 | 1.5 | 1.0 | 1.5 | |
| SPCC | 取り付け圧入力(kN) | 9.0 | 15.0 | ||
| *軸方向保持力(kN) | 0.85 | 1.2 | 1.35 | 1.9 | |
| 回転方向保持力(Nm) | 1.5 | 4.0 | 4.5 | ||
| A5052アルミ板 | 取り付け圧入力(kN) | 4.0 | 7.0 | ||
| *軸方向保持力(kN) | 0.4 | 0.7 | 1.1 | ||
| 回転方向保持力(Nm) | 1.5 | 3.5 | 4.0 | ||
* [軸方向保持力]とは、圧入と逆方向の抗抜去力をいいます。
ナットの裏側がブラインドされたクリンチングナットです。
シールドしたい箇所の取り付けに最適です。
| 単位mm | |||||||||
|---|---|---|---|---|---|---|---|---|---|
| ネジの呼び | M3 | M4 | M5 | M6 | |||||
| ピッチ | 0.5 | 0.7 | 0.8 | 1.0 | |||||
| 形式 | 鉄 | ABN-M3-1 | ABN-M3-2 | ABN-M4-1 | ABN-M4-2 | ABN-M5-1 | ABN-M5-2 | ABN-M6-1 | ABN-M6-2 |
| ステンレス | ABNS-M3-1 | ABNS-M3-2 | ABNS-M4-1 | ABNS-M4-2 | ABNS-M5-1 | ABNS-M5-2 | ABNS-M6-1 | ABNS-M6-2 | |
| D(最大) | 4.22 | 5.38 | 6.38 | 8.72 | |||||
| A(最大) | 3.8 | 5.2 | 6.0 | 7.8 | |||||
| B(最大) | 6.35 | 7.95 | 8.75 | 11.10 | |||||
| S(最小) | 5.3 | 6.8 | 7.0 | 7.8 | |||||
| L(最大) | 8.5 | 9.8 | 9.8 | 12.7 | |||||
| H +0.25 | 9.6 | 11.2 | 11.2 | 14.3 | |||||
| h(最大) | 0.98 | 1.38 | 0.98 | 1.38 | 0.98 | 1.38 | 0.98 | 1.38 | |
| 取り付け材 | 最小板厚 | 1.0 | 1.4 | 1.0 | 1.4 | 1.0 | 1.4 | 1.0 | 1.4 |
| 取り付け穴径 +0.08 0 |
4.25 | 5.40 | 6.40 | 8.75 | |||||
| *取り付け穴位置 (最小) |
4.8 | 6.9 | 7.1 | 8.6 | |||||
* 「取り付け穴位置」は、取り付け穴中心と取り付け板の端までの最小距離を表します。
| 型式 | ABN | ABNS |
|---|---|---|
| 材質区分 | 鉄 | ステンレス |
| 材質 | 炭素鋼 | SUS303 |
| 処理 | 浸炭焼入れ | 脱脂 |
| 表面処理 | 三価ユニクロ | パシベート処理 |
| 1kN≒102kgf、1N・m≒10.2kgf・cm | |||||
|---|---|---|---|---|---|
|
ねじの呼び
性能基準と取り付け条件
|
M3 | M4 | M5 | M6 | |
| 取り付け材料の板厚(mm) | 1.0 | 1.0 | 1.0 | 1.6 | |
| SPCC | 取り付け圧入力(kN) | 13.0 | 18.0 | 20.0 | 28.0 |
| *軸方向保持力(kN) | 0.6 | 0.65 | 0.68 | 1.85 | |
| 回転方向保持力(Nm) | 1.8 | 3.8 | 4.5 | 12.5 | |
| A5052アルミ板 | 取り付け圧入力(kN) | 6.0 | 8.0 | 10.0 | 18.0 |
| *軸方向保持力(kN) | 0.45 | 0.50 | 0.50 | 1.45 | |
| 回転方向保持力(Nm) | 1.5 | 3.0 | 4.0 | 12.0 | |
* [軸方向保持力]とは、圧入と逆方向の抗抜去力をいいます。
66ナイロン内臓でねじのゆるみを防止するナットです。
| 単位mm | ||||
|---|---|---|---|---|
| ネジの呼び | M3 | M4 | M5 | |
| ピッチ | 0.5 | 0.7 | 0.8 | |
| 形式 | 鉄 | ANY-M3 | ANY-M4 | ANY-M5 |
| ステンレス | ANYS-M3 | ANYS-M4 | ANYS-M5 | |
| D(最大) | 5.97 | 7.47 | 7.97 | |
| A(最大) | 5.5 | 7.1 | 7.4 | |
| B(最大) | 7.1 | 8.6 | 8.9 | |
| H(最大) | 3.6 | 4.2 | 4.5 | |
| 取り付け材 | 最小板厚 | 1.0 | 1.0 | 1.0 |
| 取り付け穴径 +0.08 0 |
6.0 | 7.5 | 8.0 | |
| *取り付け穴位置 (最小) |
4.3 | 5.6 | 6.4 | |
* 「取り付け穴位置」は、取り付け穴中心と取り付け板の端までの最小距離を表します。
| 型式 | ANY | ANYS |
|---|---|---|
| 材質区分 | 鉄 | ステンレス |
| 材質 | 炭素鋼 | SUS303 |
| 処理 | 浸炭焼入れ | 脱脂 |
| 表面処理 | 三価ユニクロ | パシベート処理 |
| 1kN≒102kgf、1N・m≒10.2kgf・cm | ||||
|---|---|---|---|---|
|
ねじの呼び
性能基準と取り付け条件
|
M3 | M4 | M5 | |
| 取り付け材料の板厚(mm) | 1.0 | 1.0 | 1.0 | |
| SPCC | 取り付け圧入力(kN) | 7.0 | 7.0 | 7.0 |
| *軸方向保持力(kN) | 0.72 | 0.8 | 0.8 | |
| 回転方向保持力(Nm) | 2.2 | 3.2 | 4.6 | |
| A5052アルミ板 | 取り付け圧入力(kN) | 13.0 | 13.0 | 13.0 |
| *軸方向保持力(kN) | 1.0 | 1.2 | 1.4 | |
| 回転方向保持力(Nm) | 2.3 | 6.9 | 8.0 | |
* [軸方向保持力]とは、圧入と逆方向の抗抜去力をいいます。
プリント基板などのボードに圧入するためのナットです。
| 単位mm | |||||
|---|---|---|---|---|---|
| ネジの呼び | M2.5 | M3 | M4 | M5 | |
| ピッチ | 0.5 | 0.56 | 0.7 | 0.8 | |
| 形式 | 鉄 | BSN-M2.5 | BSN-M3 | BSN-M4 | BSN-M5 |
| ステンレス | BSNS-M2.5 | BSNS-M3 | BSNS-M4 | BSNS-M5 | |
| 真鍮 | BSNB-M2.5 | BSNB-M3 | BSNB-M4 | BSNB-M5 | |
| D ±0.08 | 4.55 | 6.68 | 7.24 | ||
| B ±0.13 | 5.56 | 8.74 | 9.53 | ||
| H ±0.13 | 1.5 | 2.0 | 3.0 | ||
| 取り付け材 | 最小板厚 | 1.5 | |||
| 取り付け穴径 +0.08 0 |
4.2 | 6.4 | 6.9 | ||
| *取り付け穴位置 (最小) |
4.4 | 6.4 | 7.1 | ||
* 「取り付け穴位置」は、取り付け穴中心と取り付け板の端までの最小距離を表します。
| 型式 | BSN | BSNS | BSNB |
|---|---|---|---|
| 材質区分 | 鉄 | ステンレス | 真鍮 |
| 材質 | 炭素鋼 | SUS303 | C3604 |
| 処理 | - | 脱脂 | 脱脂 |
| 表面処理 | ユニクロメッキ | パシベート処理 | - |
| 1kN≒102kgf、1N・m≒10.2kgf・cm | |||||
|---|---|---|---|---|---|
|
ねじの呼び
性能基準と取り付け条件
|
M2.5 | M3 | M4 | M5 | |
| 取り付け材料の板厚(mm) | 1.5 | ||||
| プリント基板 | 取り付け圧入力(kN) | 2.0 | 2.5 | 2.8 | |
| *軸方向保持力(kN) | 0.45 | 0.6 | |||
| 回転方向保持力(Nm) | 1.5 | 4.5 | |||
* [軸方向保持力]とは、圧入と逆方向の抗抜去力をいいます。